紫外线辐射传感器
- 产品介绍
产品概述:
MC-ZW紫外辐射传感器采用光电测探器,接收紫外光波电信号。该产品用来测量大气中的太阳紫外线辐射(UVAB波长范围)的精密仪器,与数据采集仪配合使用可提供公众所关心的信息:UV指数、UV红斑测量,UV对人体的影响及UV特殊的生物学和化学效应,因此倍受气象、工业、建筑、医学方面的重视,广泛应用于暴晒引起的红斑剂量、综合环境生态效应、气候变化的研究及紫外线监测和预报。

计算公式
电压型(0~2.5V输出):E= V / 2.5 × 200
(E为测量辐射值(W/m2),V为输出电压(V))
电流型(4~20mA输出):E=( I-4 )/ 16 × 200
(E为测量辐射值(W/m2),I为输出电压(mA))
接线方法
(1)若配备本公司生产的采集器,直接使用传感器线将传感器与采集器上的相应接口相连即可。
(2)若单独购买变送器,变送器配套线线序分别为:
线颜色 | 输出信号 | ||
电压型 | 电流型 | 通讯型 | |
红色 | 电源正 | 电源正 | 电源正 |
黑(绿)色 | 电源地 | 电源地 | 电源地 |
黄色 | 电压信号 | 电流信号 | A+/TX |
蓝色 | B-/RX | ||
(3)脉冲电压、电流两种输出接线方式:

(电压,脉冲方式接线)

(电流输出方式接线)
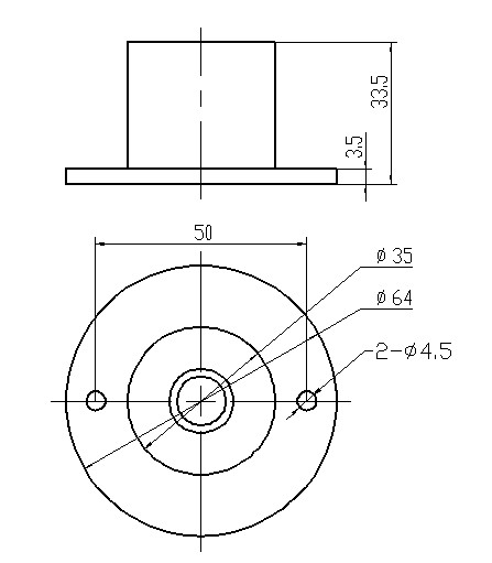
结构尺寸

变送器尺寸


MODBUS-RTU通讯协议
一、串口格式
数据位;8位
停止位;1或2位;
校验位;无
波特率;9600 两次通信间隔至少1000ms以上
二、通讯格式
【1】写入设备地址
发送:00 10 Adress CRC(5个字节)
返回:00 10 CRC(4个字节)
说明:1.读写地址命令的地址位必须是00。
2. Adress为1个字节,范围为0-255.
例如:发送00 10 01BD C0
返回00 1000 7C
【2】读取设备地址
发送:00 20 CRC (4个字节)
返回:00 20 Adress CRC(5个字节)
说明:Adress为1个字节,范围为0-255
例如:发送00 20 00 68
返回00 20 01A9 C0
【3】读取实时数据
发送:Adress 03 00 00 00 01 XX XX
说明:如下图所示:
代码 | 功能定义 | 备注 |
Adress | 站号(地址) | |
03 | 功能码 | |
00 00 | 起始地址 | |
00 01 | 读取点数 | |
XX XX | CRC校验码,前低后高 |
返回:Adress 03 02 XX XX XX XX
说明:
代码 | 功能定义 | 备注 |
Adress | 站号(地址) | |
03 | 功能码 | |
02 | 读单元字节 | |
XX XX | 数据(前高后低) | 十六进制 |
XX XX | CRC校验码 |
计算CRC码的步骤:
1、预置16位寄存器为十六进制FFFF(即全为1)。称此寄存器为CRC寄存器;
2、把第一个8位数据与16位CRC寄存器的低位相异或,把结果放于CRC寄存器;
3、把寄存器的内容右移一位(朝低位),用0填补最高位,检查最低位;
4、如果最低位为0:重复第3步(再次移位),如果最低位为1:CRC寄存器与多项式A001(1010 0000 0000 0001)进行异或;
5、重复步骤3和4,直到右移8次,这样整个8位数据全部进行了处理;
6、重复步骤2到步骤5,进行下一步8位数据的处理;
7、最后得到的CRC寄存器即为CRC码;
8、将CRC结果放入信息帧时,将高低位交换,低位在前。
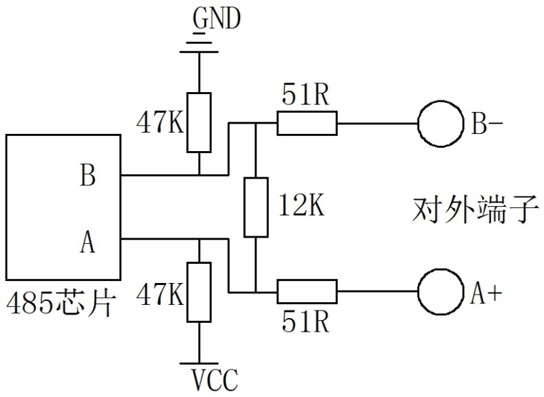
RS485电路

紫外辐射传感器安装说明
1、安装场地应选择在感应元件平面以上没有任何障碍物,保证日出、日落无高度角超过5°的障碍物,并应避免出现阴影落在感应面上的现象。
2、如果放在箱内,要注意周边反射光,也不应该靠近热源;
3、确保安装支架与地面保持平行;
4、安装过程中请避免拆卸传感器。
注意事项
1、请检查包装是否完好,并核对产品型号是否与选型一致;
2、切勿带电接线,接线完毕检查无误后方可通电;
3、使用时不要随意改动产品出厂时已焊接好的元器件或导线;
4、属于精密器件,用户在使用时请不要自行拆卸、用尖锐物品或腐蚀性液体接触传感器表面,以免损坏产品;
5、请保存好检定证书和合格证,维修时随同产品一同返回。
故障排除
1、模拟输出时,示数值明显偏大/偏小。请检查传感器玻璃罩上是否有油污等污垢,用干净的抹布将其拭去;
2、模拟输出时,显示仪表示值为0或不在量程以内。可能因接线问题导致采集器无法正确获取信息。请检查接线是否正确、牢固;
3、若不是上述原因,请与公司联系。
选型表
编号 | 供电 方式 | 输出 信号 | 说明 |
MC-ZW- | 紫外辐射传感器 (变送器) | ||
5V- | 5V供电 | ||
12V- | 12V供电 | ||
V2 | 0-2.5V | ||
W2 | RS485 | ||
例:MC-ZW-12V-V2: 12V供电,0-2.5V输出 | |||


